| ZJ-B type torque and speed sensor | ||||||||||||||||||||||||||||||||||||||||||||||||||||||||||||||||||||||||||||||||||||||||||||||||||||||||||||||||||||||||||||||||||||||||
| ¡¡Hits£º1480¡¡AddTime£º2025/5/6 10:05:15 | ||||||||||||||||||||||||||||||||||||||||||||||||||||||||||||||||||||||||||||||||||||||||||||||||||||||||||||||||||||||||||||||||||||||||
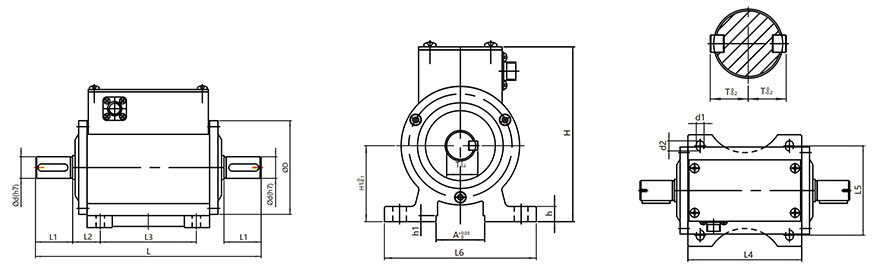
Installation dimension diagram of torque and speed sensor outer sensor:
Model
£¨N.m£©
Ø
d
Ø
D
L1
L2
L3
L4
L5
L6
H1
H
L
h
Key
b*h*l*n
T
A
h1
5-50
18
78
31
23
80
102
80
100
50
115
188
10
6X6X25X1
225
32
4
100
18
78
31
23
80
102
80
100
50
15
188
10
6X6X25X1
20.5
32
4
200
28
90
41
23.5
80
101
86
105
60
131
209
10
7X8X35X1
31
32
4
500
38
102
55
21.5
85
100
100
120
65
142
238
12
10X8X50X2
22
38
5
1000
48
116
70
25.5
84
105
124
150
75
159
275
15
14X9X65X2
27.5
42
5
2000
48
116
70
25.5
84
105
124
150
75
159
275
15
14X9X65X2
27.5
42
5
5000
75
145
105
48
69
100
156
180
90
188.5
375
15
20X12X95X2
42
| ||||||||||||||||||||||||||||||||||||||||||||||||||||||||||||||||||||||||||||||||||||||||||||||||||||||||||||||||||||||||||||||||||||||||
| ¡¾Refresh¡¿¡¾Favorites¡¿¡¾Print¡¿ ¡¾Close¡¿ | ||||||||||||||||||||||||||||||||||||||||||||||||||||||||||||||||||||||||||||||||||||||||||||||||||||||||||||||||||||||||||||||||||||||||
| Previous£º500N. m precision reducer test bench¡¡Next£ºZJ-B type torque and speed sensor |
- Torque speed sensor
- torque speed sensor
- Magnetic powder clutch
- Magnetic powder brake
- Tension control system
- Deviation control system
- Safety chuck
- Air shaft
- Eddy current brake
- Robot Joint Module Test Stand
- Hysteresis brake
- Hysteresis clutch
- Hysteresis dynamometer
- Eddy current dynamometer
- Electric dynamometer
- Magnetic powder dynamometer
- Hydraulic dynamometer
- Chassis dynamometer
- Drill pipe test bench
- Actuator, worm gear box, test bench
- Engine, axle, gearbox, PTO test bench
- Reducer test bench
- Traction machine test bench
- Motor test bench
- Planetary reducer test bench
- RV, Harmonic Test Bench
- Hydraulic pneumatic motor test bench
- Hydraulic wrench test bench
- Testing software
- Slewing bearing test bench
- Acquisition instrument
- New energy vehicle transmission test bench
- Non-standard custom test bench
- High and low temperature test chamber
- coupling
- Industrial chiller
- Torque calibration




